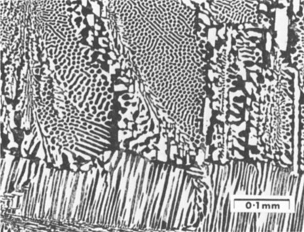
Salah satu struktur mikro penting dalam Diagram Fasa Besi–Karbon, khususnya pada material dengan kandungan karbon tinggi sekitar 4,3% C memiliki struktur ini terbentuk melalui reaksi eutektik pada suhu sekitar 1147°C, di mana fase cair (liquid) secara langsung berubah menjadi dua fase padat, yaitu austenite (γ-Fe) dan cementite (Fe₃C). Reaksi ini dituliskan sebagai L → γ + Fe₃C. Ledeburite banyak ditemukan pada besi tuang (cast iron), terutama pada besi tuang putih, dan memiliki pengaruh besar terhadap sifat mekanik material.
Secara mikrostruktur, ledeburite awal terdiri dari campuran austenite dan cementite yang tersusun dalam pola lamelar atau jaringan kompleks. Struktur ini terbentuk selama proses solidifikasi logam cair dengan kandungan karbon tinggi.
Ketika temperatur terus menurun hingga mencapai suhu eutektod (727°C), austenite dalam ledeburite akan mengalami transformasi menjadi pearlite, yaitu campuran ferrite dan cementite. Oleh karena itu, pada suhu ruang, ledeburite tidak lagi berada dalam bentuk awalnya, melainkan berubah menjadi struktur yang dikenal sebagai ledeburite tertransformasi, yang terdiri dari pearlite dan cementite.
Dari segi sifat mekanik, ledeburite dikenal memiliki kekerasan yang sangat tinggi. Hal ini disebabkan oleh dominasi cementite yang merupakan fase sangat keras dan tahan terhadap deformasi plastis. Sifat ini menjadikan material dengan kandungan ledeburite sangat unggul dalam menghadapi keausan (wear resistance).
Oleh karena itu, material ini banyak digunakan dalam aplikasi industri yang memerlukan ketahanan terhadap gesekan, seperti rol penggiling, liner mesin, dan komponen alat berat yang bekerja dalam kondisi abrasif.
Namun demikian, keunggulan tersebut juga diimbangi dengan kelemahan berupa sifat getas yang tinggi. Kandungan cementite yang besar menyebabkan material menjadi kurang ulet dan cenderung mudah retak jika menerima beban kejut atau tegangan tarik yang tinggi. Hal ini menjadi tantangan dalam penggunaan material berbasis ledeburite, terutama pada komponen yang membutuhkan kombinasi antara kekuatan dan ketangguhan.
Dalam proses manufaktur, pembentukan ledeburite sangat dipengaruhi oleh kadar karbon serta laju pendinginan. Kandungan karbon yang tinggi akan meningkatkan kemungkinan terbentuknya struktur eutektik ini. Selain itu, pendinginan yang lambat memungkinkan pertumbuhan cementite secara lebih dominan. Sebaliknya, pendinginan cepat dapat memperhalus struktur mikro dan mengurangi dominasi cementite. Penggunaan unsur paduan seperti silikon, kromium, dan nikel juga dapat memodifikasi struktur mikro, baik dengan memperhalus ukuran butir maupun mengubah distribusi fase.
Selain itu, teknik perlakuan panas (heat treatment) juga sering digunakan untuk mengontrol struktur ledeburite. Proses seperti annealing atau normalizing dapat membantu mengurangi tegangan dalam material serta memperbaiki distribusi fase, sehingga sifat mekanik menjadi lebih seimbang. Dalam beberapa kasus, rekayasa mikrostruktur dilakukan untuk mengurangi sifat getas tanpa mengorbankan ketahanan aus secara signifikan.
Secara keseluruhan, ledeburite merupakan struktur mikro yang memiliki peran penting dalam menentukan karakteristik material besi tuang. Kombinasi antara kekerasan tinggi dan ketahanan aus menjadikannya sangat berguna dalam aplikasi tertentu, meskipun sifat getasnya perlu dikendalikan. Oleh karena itu, pemahaman mendalam mengenai pembentukan dan pengendalian ledeburite menjadi kunci dalam menghasilkan material dengan performa optimal sesuai kebutuhan industri modern.
0 Komentar
Artikel Terkait



