Martensite merupakan salah satu struktur mikro paling penting dalam ilmu metalurgi, khususnya dalam pembahasan diagram fasa besi–karbon (Fe–C). Struktur ini terbentuk melalui proses pendinginan sangat cepat (quenching) dari fasa austenite, sehingga atom karbon tidak sempat berdifusi keluar dari kisi kristal. Akibatnya, terbentuk struktur kristal Body-Centered Tetragonal (BCT), yaitu bentuk distorsi dari struktur BCC akibat terperangkapnya atom karbon. Transformasi ini bersifat non-difusional dan berlangsung sangat cepat, bahkan mendekati kecepatan gelombang suara dalam material.
Salah satu ciri utama martensite adalah tingkat kekerasannya yang sangat tinggi. Hal ini disebabkan oleh distorsi kisi kristal akibat atom karbon yang “terkunci” di dalam struktur besi. Tegangan internal yang tinggi inilah yang memberikan kekuatan luar biasa pada martensite.
Semakin tinggi kadar karbon dalam baja, semakin besar pula distorsi yang terjadi, sehingga kekerasannya meningkat. Namun, di sisi lain, kondisi ini juga menyebabkan martensite bersifat getas (brittle) dan rentan terhadap retakan.
Dalam praktik rekayasa, martensite banyak dimanfaatkan pada komponen yang membutuhkan kekuatan dan ketahanan aus tinggi, seperti roda gigi, poros, pisau industri, dan alat potong. Untuk mengurangi sifat getasnya, dilakukan proses tempering, yaitu pemanasan ulang setelah quenching pada suhu tertentu, kemudian didinginkan secara perlahan. Proses ini menghasilkan tempered martensite yang memiliki kombinasi sifat mekanik yang lebih seimbang antara kekuatan dan keuletan.
Selain itu, pembentukan martensite sangat dipengaruhi oleh kecepatan pendinginan dan komposisi kimia baja. Baja karbon tinggi cenderung lebih mudah membentuk martensite dibandingkan baja karbon rendah. Media pendingin seperti air, oli, atau bahkan udara bertekanan digunakan untuk mengatur laju pendinginan. Pemilihan media ini sangat krusial karena pendinginan yang terlalu cepat dapat menyebabkan distorsi atau bahkan retak pada material.
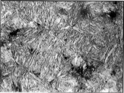
Karakteristik lain dari martensite adalah bentuk mikronya yang khas, sering terlihat seperti jarum (needle-like) atau pelat tipis (plate-like) di bawah mikroskop. Struktur ini terbentuk secara terorganisir mengikuti arah tertentu dalam kristal, yang disebut sebagai habit plane. Selain itu, terdapat parameter penting yang dikenal sebagai suhu Ms (Martensite start) dan Mf (Martensite finish), yang menunjukkan suhu awal dan akhir pembentukan martensite selama proses pendinginan.
Menariknya, martensite tidak muncul dalam diagram fasa kesetimbangan Fe–C karena terbentuk dalam kondisi non-kesetimbangan. Hal ini membuatnya berbeda dari struktur seperti ferrite, pearlite, atau bainite yang terbentuk melalui mekanisme difusi. Oleh karena itu, pemahaman tentang martensite tidak hanya penting dari sisi teori, tetapi juga sangat krusial dalam aplikasi industri modern.
Dengan sifatnya yang unik—keras, kuat, namun cenderung getas—martensite menjadi elemen kunci dalam rekayasa material. Pengendalian proses pembentukannya memungkinkan engineer merancang baja dengan performa tinggi yang sesuai kebutuhan, baik untuk konstruksi berat maupun komponen presisi tinggi.
0 Komentar
Artikel Terkait





