Perkembangan dunia industri sudah semakin cepat dan sudah berbasis teknologi yang lebih canggih, sehingga metode-metode yang konvensional sudah mulai ditinggalkan. Tetapi perkembangan teknologi tidak luput dari hal dasar yang berasal dari metode konvensional, seperti contoh sistem kontrol motor 1 fasa maupun 3 fasa.
Sisten ini membutuhkan alat dan bahan seperti kabel, MCB 1 fasa, Push Button OFF, Push Button ON, Thermal Overload Relay dan Kontaktor. Alat dan bahan tersebut akan di rangkai pada suatu panel sistem kontrol. Namun sekarang sejak adanya PLC membuat sistem kontrol sudah bisa di program dan tinggal di transfer saja. Tetapi fundamental pembuatan program sistem kontrol motor 3 fasa masih memakai sistem konvensional.
Sistem Pengasutan Motor 3 Fasa
Metode penghasutan motor 3 fasa banyak dipakai yaitu metode penghasutan Star Delta manual atau otomatis. Metode starting Y – ∆ banyak digunakan untuk menjalankan motor induksi rotor sangkar yang mempunyai daya di atas 5 kW (atau sekitar 7 HP).
Untuk menjalankan motor dapat dipilih starter yang umum dipakai antara lain : saklar rotari Y – ∆, saklar khusus Y- ∆ atau dapat juga menggunakan beberapa kontaktor magnit beserta kelengkapannya yang dirancang khusus untuk rangkaian starter Y – ∆. Arus starting sekitar 1,8 sampai 2,6 kali arus nominal. Dan torsi awal sekitar 0,5 torsi nominal.
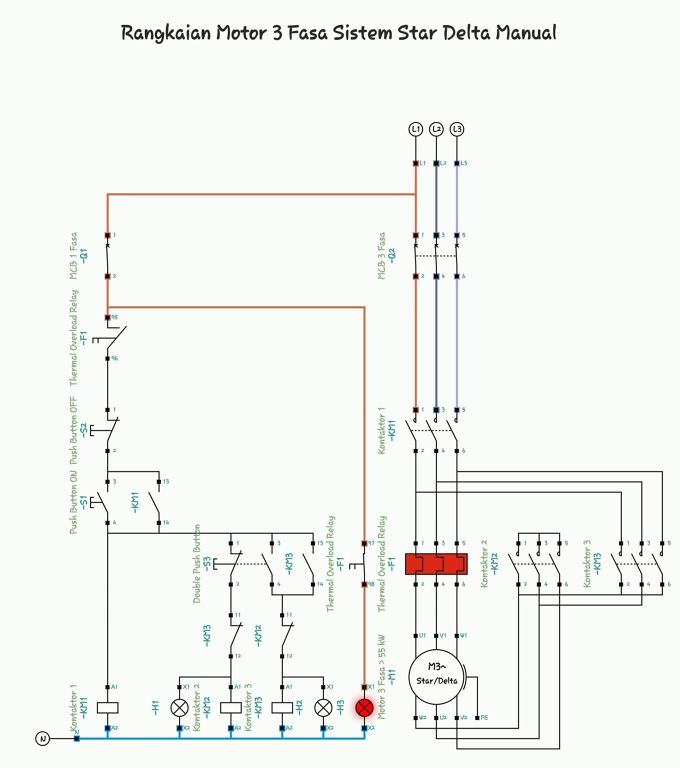
Hasil Pengasutan Motor 3 Fasa Metode Star Delta secara manual
Berikut gambar rangkaian kontrol dan rangkaian daya dari sebuah motor 3 fasa menggunakan metedo penghasutan star delta secara manual.

Berdasarkan gambar diatas terdapat rangkaian kontrol yang mengatur proses penghasutan motor 3 fasa. Jika MCB 1 fasa dan MCB 3 fasa berada pada posisi ON maka arus sudah sampai pada tombol Push Button ON dan jika Push Button ditekan maka proses penghasutan motor 3 fasa yang pertama terjadi di posisi star.
Selang beberapa saat atau hitungan 10 detik proses penghasutan motor 3 fasa sudah bisa dilanjutkan ke proses delta dengan menekan Double Push Button, sehingga motor 3 fasa sudah bekerja secara maksimal ketika sudah pada posisi delta.
Penghasutan motor 3 fasa secara star delta sudah berhasil dilakukan, proses ini digunakan untuk mengatasi lonjakan arus yang dapat merusak motor dan dapat memperpendek umur motor 3 fasa. Jika motor 3 fasa mengalami kelebihan beban dan membuat motor panas maka komponen thermal overload relay akan bekerja untuk mengamankan sistem.
0 Komentar
Artikel Terkait



