Anak Teknik Indonesia
  • Beranda
  • Blog
  • Academy
    • E-Course
    • Training
    • Private
  • Shop
MasukDaftar
Analisis Gangguan Hubung Tanah Tunggal pada Sistem Tenaga Listrik
Irfan Naufal Marwan

Analisis Gangguan Hubung Tanah Tunggal pada Sistem Tenaga Listrik

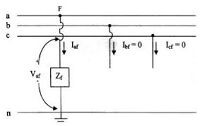
Analisis gangguan hubung tanah tunggal penting dilakukan untuk memahami dampaknya terhadap kestabilan sistem tenaga listrik dan menentukan strategi proteksi yang efektif.
Nov 24, 2025
Analisis Grounding Resistance pada Tanah dengan Konduktivitas Berbeda
Irfan Naufal Marwan

Analisis Grounding Resistance pada Tanah dengan Konduktivitas Berbeda

Analisis grounding resistance pada berbagai jenis tanah penting untuk menentukan sistem pentanahan yang efektif dan aman dalam melindungi peralatan listrik dari gangguan.
Nov 21, 2025
Optimasi Desain Pondasi Dangkal pada Tanah Berpasir: Membangun Kuat dan Ekonomis
Karya Dream

Optimasi Desain Pondasi Dangkal pada Tanah Berpasir: Membangun Kuat dan Ekonomis

Bangun kokoh di atas pasir? Bisa! Selami Optimasi Desain Pondasi Dangkal pada Tanah Berpasir dan temukan bagaimana insinyur merancang pondasi yang tidak hanya kuat, tapi juga hemat biaya. Inovasi untuk konstruksi yang lebih cerdas!
Des 16, 2025
Studi Eksperimen Kuat Geser Tanah dengan Campuran Abu Sekam
Karya Dream

Studi Eksperimen Kuat Geser Tanah dengan Campuran Abu Sekam

Limbah jadi berkah untuk konstruksi! Yuk, selami Studi Eksperimen Kuat Geser Tanah dengan Campuran Abu Sekam dan temukan bagaimana abu sekam padi meningkatkan kekuatan tanah kita, demi pembangunan yang lebih kuat dan berkelanjutan!
Des 18, 2025
Teknik Analisa Pengaruh Gempa pada Respons Dinamis Tanah Lunak
Karya Dream

Teknik Analisa Pengaruh Gempa pada Respons Dinamis Tanah Lunak

Di balik guncangan gempa, ada 'drama' di bawah tanah! Pelajari bagaimana tanah lunak mengamplifikasi guncangan dan memicu likuifaksi yang berbahaya. Pahami pentingnya respons dinamis tanah dalam desain tahan gempa untuk bangunan yang lebih aman!
Agt 22, 2025
Teknik Evaluasi Penurunan (Settlement) pada Tanah Gambut
Karya Dream

Teknik Evaluasi Penurunan (Settlement) pada Tanah Gambut

Jangan biarkan tanah gambut menipu Anda! Selami Evaluasi Penurunan (Settlement) pada Tanah Gambut dan pahami mengapa tanah ini sangat menantang, serta bagaimana kita bisa membangun dengan aman di atasnya
Agt 19, 2025
Aplikasi Geosintetik untuk Perkuatan Tanah pada Konstruksi Jalan
Karya Dream

Aplikasi Geosintetik untuk Perkuatan Tanah pada Konstruksi Jalan

Bangun jalan di atas tanah lunak? Jangan khawatir! Mari selami Aplikasi Geosintetik untuk Perkuatan Tanah pada Konstruksi Jalan dan temukan bagaimana material canggih ini membuat jalan kita lebih kuat, stabil, dan tahan lama!
Des 17, 2025
Stabilisasi Tanah Ekspansif Menggunakan Kapur dan Semen
Karya Dream

Stabilisasi Tanah Ekspansif Menggunakan Kapur dan Semen

Bangun di atas tanah lunak? Jangan khawatir! Selami Analisis Daya Dukung Pondasi Tiang Pancang pada Tanah Lunak dan temukan bagaimana insinyur memastikan bangunan Anda tetap kokoh dan stabil, bahkan di kondisi tanah yang menantang!
Des 05, 2025
  • «
  • 1
  • 2
  • 3
  • 4
  • »