Pengetahuan

Analisis Gangguan Hubung Tanah Tunggal pada Sistem Tenaga Listrik

Analisis gangguan hubung tanah tunggal penting dilakukan untuk memahami dampaknya terhadap kestabilan sistem tenaga listrik dan menentukan strategi proteksi yang efektif.

Irfan Naufal Marwan24 November 2025

Gangguan (fault) merupakan kondisi abnormal yang dapat menyebabkan kerusakan peralatan, menurunkan kualitas daya, dan bahkan mengganggu kontinuitas penyaluran energi listrik. Salah satu jenis gangguan yang paling sering terjadi adalah gangguan hubung tanah tunggal (single line-to-ground fault).

Gangguan ini terjadi ketika salah satu konduktor fasa bersentuhan langsung atau tidak langsung dengan tanah, baik melalui resistansi rendah maupun tinggi. Meskipun tampak sederhana, gangguan hubung tanah tunggal (GHTT) memiliki pengaruh besar terhadap arus gangguan, tegangan sistem, serta kestabilan peralatan listrik, terutama pada sistem distribusi tegangan menengah (6,6–20 kV).

Konsep Dasar Gangguan Hubung Tanah Tunggal

Gangguan hubung tanah tunggal (GHTT) adalah kondisi di mana salah satu fasa pada sistem tiga fasa mengalami hubungan dengan tanah. Hubungan ini dapat terjadi karena berbagai faktor seperti:

  • Kerusakan isolasi pada kabel atau peralatan,
  • Kontaminasi kelembapan pada jaringan,
  • Sambaran petir,
  • Kegagalan peralatan penyalur arus atau transformator, dan
  • Kesalahan pemasangan sistem grounding.

Secara umum, sistem tenaga tiga fasa dapat mengalami tiga jenis utama gangguan terhadap tanah, yaitu:

  • Gangguan Hubung Tanah Tunggal (Single Line to Ground Fault)
  • Gangguan Hubung Tanah Ganda (Double Line to Ground Fault)
  • Gangguan Hubung Tanah Tiga Fasa (Three Phase to Ground Fault)

Di antara ketiganya, gangguan hubung tanah tunggal adalah yang paling sering terjadi, mencapai sekitar 60–80% dari total gangguan sistem distribusi.

Mekanisme Terjadinya Gangguan

Ketika salah satu fasa (misalnya fasa R) menyentuh tanah, arus gangguan akan mengalir melalui tanah atau melalui sistem grounding kembali ke sumber. Aliran arus gangguan ini menyebabkan tegangan pada dua fasa lainnya (S dan T) meningkat terhadap tanah.

Fenomena ini dapat menyebabkan:

  • Kelebihan tegangan (overvoltage) pada isolasi peralatan,
  • Arus netral meningkat secara signifikan,
  • Gangguan kestabilan sistem, dan
  • Risiko kerusakan transformator atau relai proteksi.

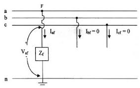
Untuk menganalisis gangguan ini, biasanya digunakan metode komponen simetris yang membagi sistem menjadi tiga jaringan ekuivalen:

  • Jaringan urutan positif (positive sequence)
  • Jaringan urutan negatif (negative sequence)
  • Jaringan urutan nol (zero sequence)

Ketiga jaringan ini saling terhubung secara paralel pada titik gangguan untuk menentukan besar arus dan tegangan pada masing-masing fasa.

Analisis Arus Gangguan

Besar arus gangguan hubung tanah tunggal ditentukan oleh impedansi urutan nol dan urutan positif dari sistem. Persamaannya dapat ditulis sebagai:

If=3VphZ1+Z2+Z0+3Zf
 

di mana:

  • If= arus gangguan hubung tanah tunggal,
  • Vph= tegangan fasa ke netral,
  • Z1,Z2,Z0= impedansi urutan positif, negatif, dan nol,
  • Zf= impedansi titik gangguan (resistansi tanah).

Dari persamaan tersebut, terlihat bahwa semakin kecil nilai impedansi tanah (Zf), maka arus gangguan akan semakin besar, dan potensi kerusakan sistem juga meningkat.

Dampak Gangguan Hubung Tanah Tunggal

Beberapa dampak utama dari gangguan hubung tanah tunggal terhadap sistem tenaga antara lain:

Ketidakseimbangan Tegangan

Fasa yang mengalami gangguan akan turun tegangannya mendekati nol, sedangkan dua fasa lain akan mengalami kenaikan tegangan terhadap tanah hingga √3 kali lipat dari nilai normal.

Arus Lebih pada Konduktor Netral dan Grounding

Gangguan menyebabkan arus mengalir melalui konduktor netral dan sistem pentanahan yang dapat menimbulkan pemanasan berlebih.

Kerusakan Isolasi dan Peralatan

Tegangan lebih yang terjadi dapat merusak isolasi kabel, transformator, dan motor.

Salah Operasi Sistem Proteksi

Jika sistem proteksi tidak dirancang dengan baik, relai dapat gagal bekerja atau malah memutus bagian sistem yang tidak terganggu.

Gangguan Stabilitas Sistem

Gangguan pada satu fasa dapat menyebabkan osilasi tegangan dan arus pada seluruh sistem jika tidak segera diatasi.

Sistem Proteksi terhadap Gangguan Hubung Tanah Tunggal

Untuk meminimalkan dampak GHTT, sistem tenaga listrik dilengkapi dengan peralatan proteksi dan sistem pentanahan yang tepat. Beberapa metode proteksi yang umum digunakan antara lain:

Ground Fault Relay (GFR)

Mendeteksi arus bocor ke tanah dan bekerja memutus rangkaian ketika arus gangguan melebihi ambang batas tertentu.

Directional Earth Fault Relay (DEF)

Digunakan pada jaringan distribusi radial untuk menentukan arah arus gangguan (ke sumber atau ke beban).

Neutral Grounding Resistor (NGR)

Digunakan untuk membatasi arus gangguan tanah dengan menambahkan resistansi pada jalur netral sistem.

Penerapan Sistem Grounding Efektif

Sistem pentanahan yang baik (impedansi rendah) membantu menjaga kestabilan tegangan dan meminimalkan risiko tegangan sentuh berbahaya.

Kesimpulan

Gangguan hubung tanah tunggal merupakan jenis gangguan yang paling sering terjadi dalam sistem tenaga listrik, terutama pada jaringan distribusi. Gangguan ini dapat menyebabkan tegangan tidak seimbang, arus gangguan tinggi, serta potensi kerusakan pada peralatan dan isolasi sistem.

Melalui analisis komponen simetris dan perhitungan arus gangguan, dapat ditentukan besarnya dampak yang ditimbulkan serta strategi proteksi yang tepat untuk meminimalkan risiko.
Implementasi sistem proteksi seperti Ground Fault Relay, NGR, dan sistem grounding efektif menjadi kunci utama dalam menjaga keandalan dan keselamatan sistem tenaga listrik dari gangguan hubung tanah tunggal.

Share:

0 Komentar